Las bombas de pulpa WSA están diseñadas para manejar las aplicaciones más agresivas, como molinos de bolas y SAG, alimentación a ciclones, dragado y todo tipo de pulpas gruesas.
La serie de bombas de pulpa WSA está diseñada para manejar las aplicaciones más agresivas, como molinos de bolas y SAG, alimentación a ciclones, dragado y todo tipo de pulpas gruesas.
La serie WSA está concebida para bombear pulpas altamente concentradas con partículas de gran tamaño, que las bombas de pulpa estándar no pueden manejar de manera eficaz.
Mediante el uso de impulsores y revestimientos endurecidos en cromo, o de componentes en elastómero —incluso combinando ambos materiales—, se logra un desempeño superior y mayor resistencia al desgaste.
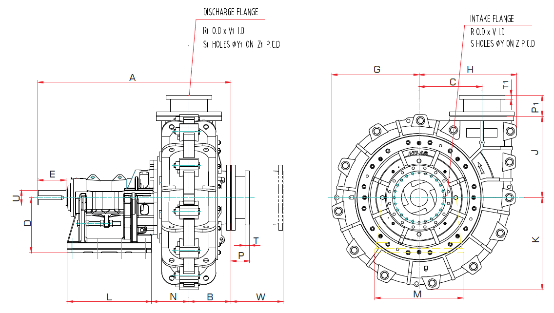
DIMENSIONES


Las bombas de circuito de molino WSA están diseñadas para las aplicaciones más severas y exigentes.
Con amplios diámetros de succión y descarga, y gracias a su diseño de gran holgura interna, resultan adecuadas para una amplia variedad de aplicaciones, tales como descarga de molino, bombeo de alimentación a ciclones, dragado y el manejo de concentrados de alta severidad utilizados en el procesamiento de minerales.
Nuestras bombas WSA alcanzan hasta 22.000 m³/h de caudal, garantizando un desempeño confiable en operaciones de gran escala minera e industrial.
Diseñadas para soportar las condiciones más exigentes, las bombas WSA logran hasta 55 metros de altura manométrica, optimizando procesos críticos en minería.
Con tamaños de descarga que van desde 5” hasta 34”, la gama WSA cubre aplicaciones que requieren equipos de alta robustez y versatilidad.
Los impulsores y revestimientos en hierro blanco con 27% de cromo ofrecen máxima resistencia a la abrasión y al desgaste en entornos mineros severos.
La información aquí presentada es de carácter técnico y referencial. Para mayor detalle sobre selección de materiales, condiciones de operación o asistencia en terreno, contacte a nuestro equipo especializado.
Las bombas de pulpa WSA están diseñadas para las aplicaciones más severas y agresivas, tales como descarga de molinos de bolas y SAG, alimentación de ciclones, dragado y manejo de arenas minerales, arenas bituminosas y pulpas gruesas.
Las bombas pueden configurarse con impulsores y revestimientos de metal endurecido en cromo, con piezas de elastómero, o con una combinación de ambos, lo que permite optimizar la vida útil frente al desgaste.
El diseño de gran holgura interna permite trabajar con succión y descarga de gran tamaño, reduciendo la velocidad de operación. Esto asegura una mayor vida útil de los componentes, menor mantenimiento, reducción de costos y disminución de tiempos de detención.
Las bombas WSA pueden utilizar sellos mecánicos (con o sin sistema de enjuague de agua) y sellos de empaquetadura. El sello por empaquetadura es el más común por su simplicidad, facilidad de mantenimiento y bajo costo.
La línea WSA cubre descargas desde 5 hasta 34 pulgadas, con capacidades de hasta 22.000 m³/h y alturas manométricas de hasta 55 metros, lo que las hace aptas para procesos de gran escala en minería y procesamiento de minerales.
Déjanos tu requerimiento en el formulario de contacto y nuestro equipo
te contactará a la brevedad para iniciar tu proyecto.