Descubre la amplia gama de equipos y componentes que ponemos a tu disposición, respaldados por nuestra experiencia, tiempos de entrega competitivos y un servicio cercano que asegura disponibilidad y soporte en todo momento.
Mostrando los 3 resultados
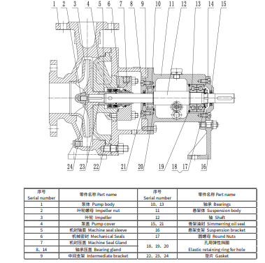
La serie ASP5030 / ASP5040 son bombas centrífugas de proceso, robustas y eficientes, diseñadas bajo normas API para aplicaciones mineras...
En PGIC ofrecemos soluciones de bombeo confiables y eficientes para la minería e industria, stock disponible y soporte técnico especializado. Nos diferenciamos por nuestra rapidez en la entrega, cercanía con los clientes y compromiso de asegurar continuidad operacional, convirtiéndonos en un socio estratégico para cada proyecto.
Certificación en calidad, medio ambiente y seguridad ocupacional
Espacio equipado para ensamblar y adaptar soluciones completas de bombeo
Ensayos de equipos de alta potencia bajo norma ANSI 14.6-2011, garantizando calidad y seguridad
Capacidad instalada en Santiago y Antofagasta para asegurar disponibilidad y tiempos de entrega competitivos
Déjanos tu requerimiento en el formulario de contacto y nuestro equipo
te contactará a la brevedad para iniciar tu proyecto.